cq9电子
首页
关于cq9电子
产品中心
制造能力
新闻中心
效劳与支持
联系cq9电子
综合样本下载
关于cq9电子
企业先容
企业文化
设计研发
生长历程
主要经销商
资质声誉
产品中心
新品
外径千分尺
微分头
变型千分尺
内径千分尺
量表
高度计
卡尺
数据传输
附件
特殊微分头 特殊千分尺
制造能力
加工装备
研发装备
治理系统
质量标准
新闻中心
展会信息
公司新闻
企业文化
效劳与支持
质量效劳
下载列表
常见问题
视频中心
公司视频
产品视频
联系cq9电子
联系方法
在线地图
人才招聘
产品中心
PRODUCT CENTER
所有产品
特殊微分头 特殊千分尺
< 返回上一页
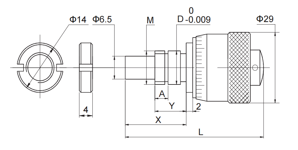
0-13mm 大直径微分筒
丈量参数
丈量规模
精度
区分力
0-13mm
0.005mm
0.01mm
尺寸图
主要参数
可选值
客户可选参数或定制
X
24.5-26.5mm
Y
9.5mm、9.525mm
A
0
、
4mm
、
Y
D
Φ9.5mm Φ9.525mm
M
M9.5X0.5 M9.525X0.635
M9.525X0.794
L:30+X
【网站地图】
【sitemap】