cq9电子

产品中心

PRODUCT CENTER

所有产品 特殊微分头 特殊千分尺

< 返回上一页

0-13mm特殊微分头

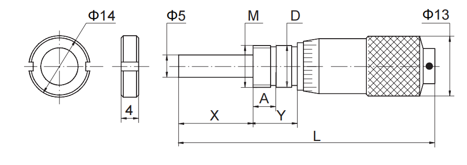
丈量参数

丈量规模精度区分力
0-13mm0.005mm0.01mm

尺寸图

image

主要参数

可选值客户可选参数或定制
X17-19mm
Y9.5mm、9.525mm
A04mmY
DΦ9.5mm Φ9.525mm
MM9.5X0.5 M9.525X0.635
M9.525X0.794

L:32+X+Y


【网站地图】【sitemap】