cq9电子

产品中心

PRODUCT CENTER

所有产品 特殊微分头 特殊千分尺

< 返回上一页

0-10mm特殊微分头

丈量参数

丈量规模精度区分力
0-10mm0.005mm0.01mm

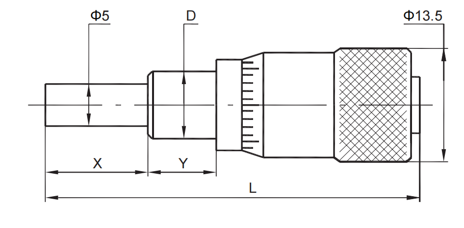
尺寸图

image

主要参数

可选值客户可选参数或定制
X10-29mm
Y8mm、9.5mm、9.525mm、10mm
DΦ8mm、Φ9.5mm、Φ9.525mm、Φ10mm
SRSR4或镶嵌Φ3.5钢球

L:23.5+X+Y


【网站地图】【sitemap】