PRODUCT CENTER
所有产品
高度计
区分力0.0005mm/0.001mm切换。
内置1800mAh大容量可充电锂电池。
内置无线数据传输。


| 最小读数 | 0.0005/0.001mm |
| 丈量速率 | 最大5000mm/s |
| 外部输出 | USB Type-C |
| 显示器 | 绿色高亮数码管 |
| 事情情形 | 温度:0~40°C 湿度:20~80% |
| 单位 | mm/inch可切换 |
| 电源 | 输入:AC 100~240V 50~60Hz 输出:DC 5V/1A |
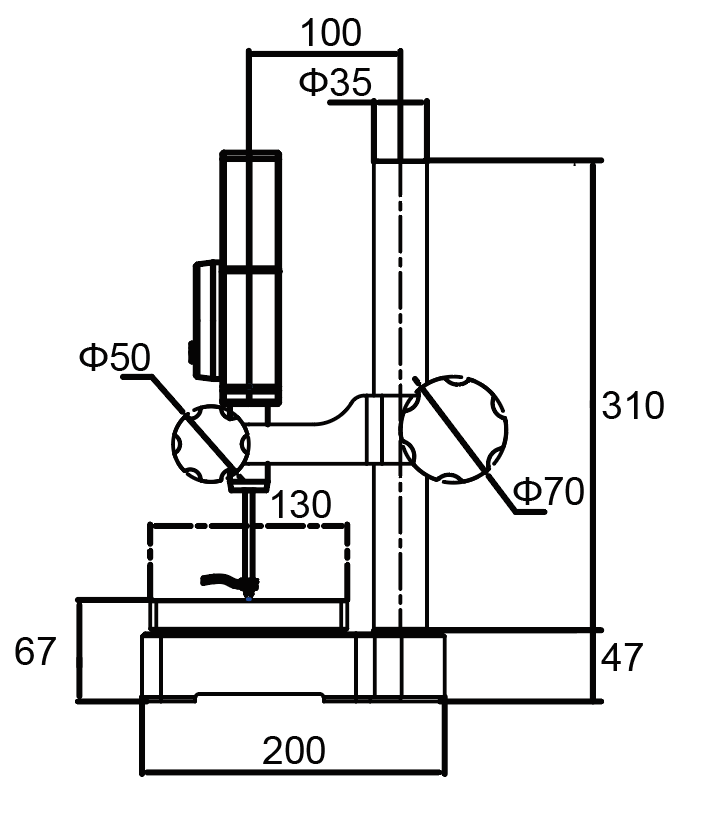
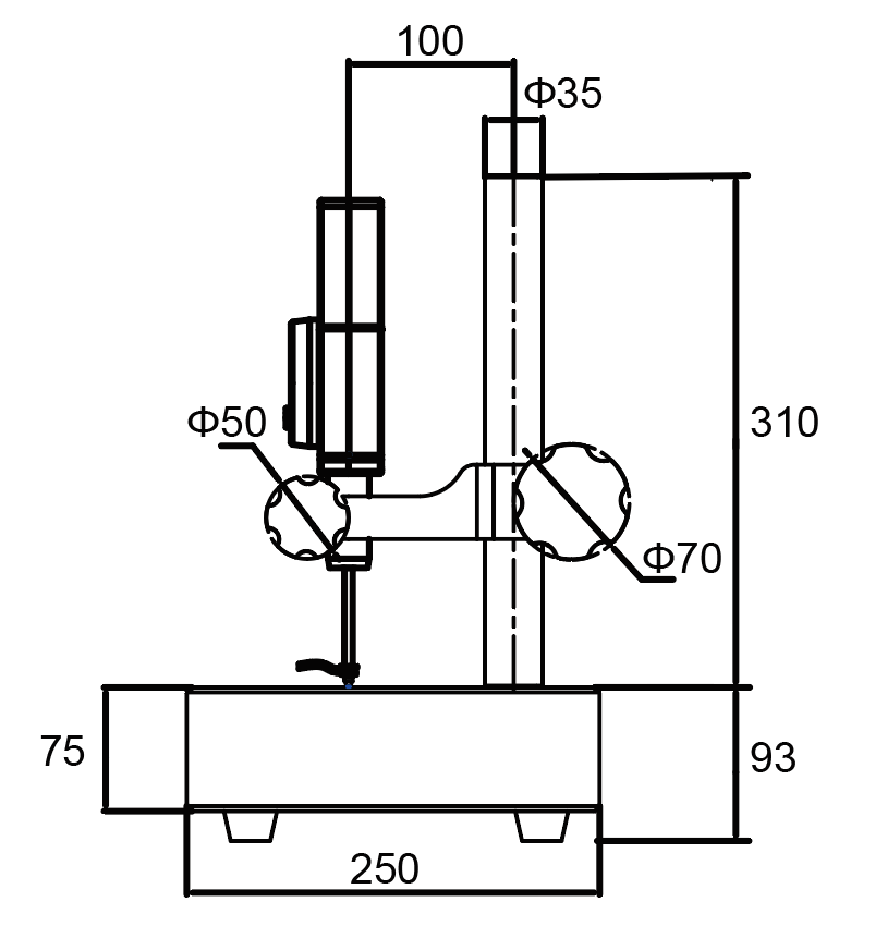
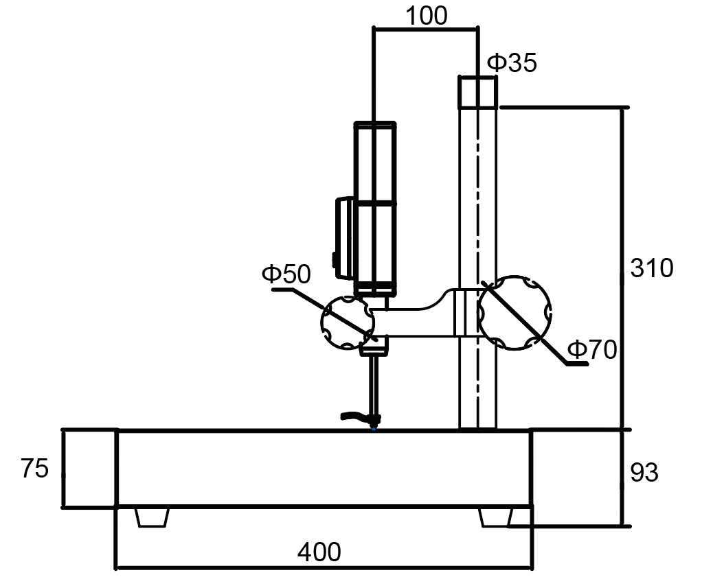
| 货号 | 丈量规模 | 精度@20℃ | 重复精度@20℃ | 丈量力 | 台架 | 重量 |
|---|---|---|---|---|---|---|
| 632-12-000 | 0-50mm/0-1.969" | ≤0.002mm | ≤0.0005mm | ≤1.2N | 130mm×130mm陶瓷 | 11.6kg |
| 632-12-200 | 0-50mm/0-1.969" | ≤0.002mm | ≤0.0005mm | ≤1.2N | 250mm×200mm花岗岩 | 21.0kg |
| 632-14-000 | 0-100mm/0-3.937" | ≤0.003mm | ≤0.001mm | ≤1.6N | 130mm×130mm陶瓷 | 11.6kg |
| 632-14-300 | 0-100mm/0-3.937" | ≤0.003mm | ≤0.001mm | ≤1.6N | 400mm×300mm花岗岩 | 35.0kg |




