cq9电子

产品中心

PRODUCT CENTER

所有产品 量表

< 返回上一页
F1502

内径表零点检测仪

丈量参数

货号丈量规模
F150218-400mm

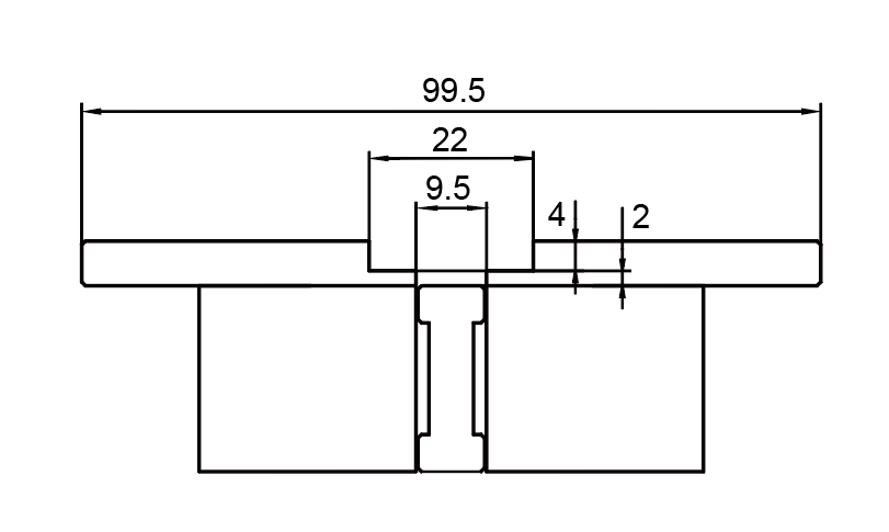
尺寸图

企业微信截图_17036358758138

内径表零点检测仪监测实例

第15页-69

【网站地图】【sitemap】