PRODUCT CENTER
所有产品
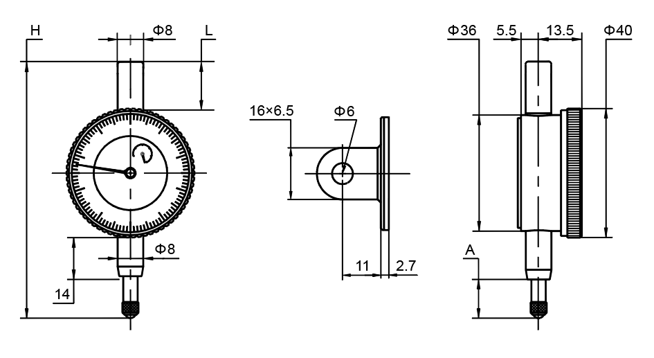
量表
宝石轴承。
设置带耳后盖。
切合标准:DIN878。

| 货号 | 丈量规模 | 区分力 | 丈量规模/周 | 精度 |
|---|---|---|---|---|
| 557-01-090 | 0-3mm | 0.01mm | 1mm | 0.012mm |
| 557-03-090 | 0-5mm | 0.01mm | 1mm | 0.012mm |
| 557-04-090 | 0-10mm | 0.01mm | 1mm | 0.014mm |

| 货号 | H | A | L |
|---|---|---|---|
| 557-01-090 | 70mm | 10mm | 11.5mm |
| 557-03-090 | 72mm | 12mm | 14mm |
| 557-04-090 | 111mm | 18mm | 11.5mm |