cq9电子

产品中心

PRODUCT CENTER

所有产品 微分头

< 返回上一页
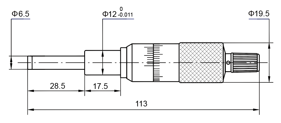
0103-120/0103-130

微分头

丈量参数

货号丈量规模精度型式
0103-1000-25mm0.003mm硬质合金平丈量面棘轮测力
0113-1000-25mm0.003mm硬质合金球丈量面棘轮测力
0103-1200-25mm0.003mm硬质合金平丈量面摩擦测力
0113-1200-25mm0.003mm硬质合金球丈量面摩擦测力
0103-1300-25mm0.003mm硬质合金平丈量面棘轮套测力
0113-1300-25mm0.003mm硬质合金球丈量面棘轮套测力

尺寸图(0103-100)

企业微信截图_17035640658968


尺寸图(0103-120/0103-130)

企业微信截图_17035640744286




【网站地图】【sitemap】