PRODUCT CENTER
所有产品
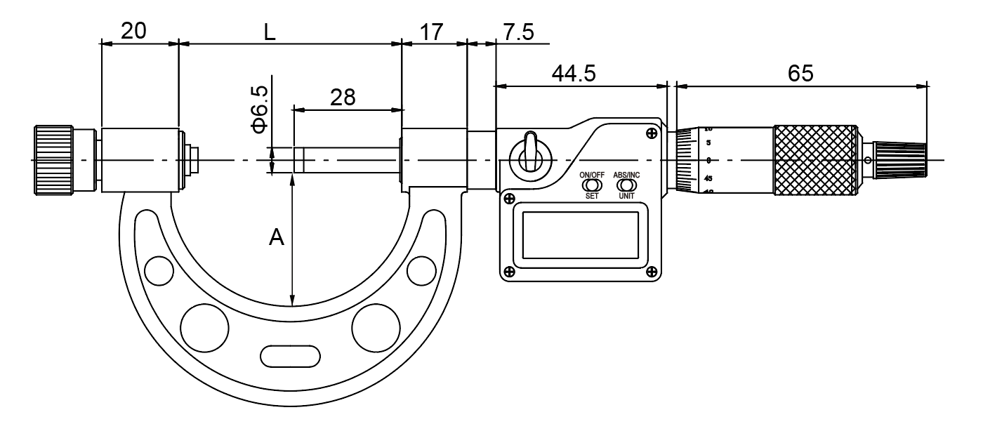
外径千分尺
IP65防护品级。
数显系统与133-XX-450电子外径千分尺相同。
可换测砧丈量规模大,测砧精度高,替换后不必重新对零。
硬质合金丈量面。
| 货号 | 丈量规模 | 精度 |
|---|---|---|
| 146-01-650 | 0-50mm | ±0.002mm |
| 146-02-650 | 50-100mm | ±0.003mm |
| 146-10-650 | 0-100mm | ±0.003mm |
| 146-11-650 | 100-200mm | ±0.004mm |
| 146-12-650 | 200-300mm | ±0.005mm |
| 146-13-650 | 300-400mm | ±0.006mm |
| 146-14-650 | 400-500mm | ±0.007mm |
| 146-15-650 | 500-600mm | ±0.007mm |
| 146-16-650 | 600-700mm | ±0.008mm |
| 146-17-650 | 700-800mm | ±0.009mm |
| 146-18-650 | 800-900mm | ±0.010mm |
| 146-19-650 | 900-1000mm | ±0.010mm |
| 146-61-650 | 0-150mm | ±0.003mm |
| 146-62-650 | 150-300mm | ±0.005mm |
| 146-63-650 | 300-450mm | ±0.006mm |
| 146-64-650 | 450-600mm | ±0.007mm |
| 146-65-650 | 600-750mm | ±0.009mm |
| 146-66-650 | 750-900mm | ±0.010mm |
| 146-67-650 | 900-1050mm | ±0.010mm |

| 丈量规模 | A | L | 测砧 | 对柱 |
|---|---|---|---|---|
| 0-50mm | 35mm | 58mm | 2 | 1 |
| 50-100mm | 57mm | 108mm | 2 | 2 |
| 0-100mm | 57mm | 108mm | 4 | 3 |
| 100-200mm | 114mm | 208mm | 4 | 4 |
| 200-300mm | 165mm | 308mm | 4 | 4 |
| 0-150mm | 82mm | 158mm | 6 | 5 |
| 150-300mm | 165mm | 308mm | 6 | 6 |


